○稲沢市液化石油ガス設備工事届出等事務処理要綱
平成28年4月1日
施行
(趣旨)
第1条 この要綱は、愛知県事務処理特例条例(平成11年愛知県条例第55号)の規定により、稲沢市長が行う液化石油ガスの保安の確保及び取引の適正化に関する法律(昭和42年法律第149号。以下「法」という。)、液化石油ガスの保安の確保及び取引の適正化に関する法律施行令(昭和43年政令第14号)及び液化石油ガスの保安の確保及び取引の適正化に関する法律施行規則(平成9年通商産業省令第11号。以下「省令」という。)に基づく事務の施行について必要な事項を定めるものとする。
(1) 液化石油ガス プロパン、ブタン及びプロピレンを主成分とするガスを液化(充
された容器内又はその容器に付属する気化装置内において気化したものを含む。)したものをいう。
(2) 貯蔵設備 バルク貯槽、貯槽若しくは集合装置又は供給管に連結された容器(バルク容器を含む。以下同じ。)により、液化石油ガスを貯蔵するものをいう。
(3) 供給設備 液化石油ガスの体積販売(ガスメーターによる販売をいう。以下同じ。)において、液化石油ガスの供給のための設備(船舶内のものを除く。)及び貯蔵設備、気化装置、調整器及びガスメーター並びにこれらに準ずる設備(貯蔵設備とガスメーターの間に設けられるものに限る。)並びにこれらを接続する管(以下「供給管」という。)並びにこれらの設備に係る屋根、遮蔽板及び障壁をいう。
(4) 特定供給設備 供給設備の貯蔵設備(貯蔵能力が、容器の場合は貯蔵能力3,000キログラム以上のもの、貯槽又はバルク貯槽の場合は1,000キログラム以上のもの)、気化装置及び調整器(貯蔵設備に近傍するものに限る。)並びに貯蔵設備と調整器の間の供給管並びにこれらの設備に係る屋根、遮蔽板及び障壁をいう。
(5) 消費設備 体積販売の場合にあっては、ガスメーター出口からゴム管、配管及び燃焼器等配管によって接続されたもの並びに燃焼器の付属装置をいい、質量販売(20リットル以下の容器による販売等)の場合にあっては、容器から燃料器までの全ての設備をいう。
(6) 設備工事 特定供給設備以外の供給設備(当該供給設備に係る貯蔵設備の貯蔵能力が500キログラムを超えるものに限る。)設置の工事又は変更の工事(供給管の延長、貯蔵設備の位置の変更又は貯蔵能力の増加を伴う工事のものをいう。)をいう。
(7) 設備士 法第38条の4に規定する液化石油ガス設備士免状を所有している者をいう。
(8) 火気 一般の火をいい、ライターの火、たばこの火、たき火、ボイラーの火、自動車のエンジンの火花及び電気設備(防爆型を除く。)の火花等で、液化石油ガスに着火可能な全ての火及び火花をいう。
(9) 火気を取り扱う施設 ボイラー、ストーブ等の通常定置して使用されるものをいう。
(事務の対象)
第3条 市長は、法に基づく事務のうち、稲沢市が愛知県から権限移譲を受けた次に掲げる事務を行うものとする。
(1) 法第38条の3の規定により設備工事をした旨の届出を受理すること。
(2) 法第38条の10第1項の規定により特定液化石油ガス設備工事事業の届出を受理すること。
(3) 法第38条の10第2項の規定により特定液化石油ガス設備工事事業者の氏名の変更等の届出を受理すること。
(4) 前3号に掲げる事務に伴い、法第82条第1項の規定により業務等の状況に関し報告をさせること。
(6) 法第87条第1項の規定により法第38条の3の規定による届出を受理した旨を通報すること
(設備工事の届出対象施設)
第4条 設備工事の届出対象となる施設又は建築物は、法第38条の3に規定する多数の者が出入りする施設又は多数の者が居住する建築物(以下「届出対象施設」という。)で、省令第86条に基づき別表第1で定めるものであること。
(設備工事の届出対象貯蔵設備)
第5条 設備工事の届出対象となる貯蔵設備の貯蔵能力は、次に掲げるものであること。
(1) 容器 500キログラムを超え3,000キログラム未満のもの
(2) 貯槽又はバルク貯槽 500キログラムを超え1,000キログラム未満のもの
(1) 当該設備工事に係る貯蔵設備の貯蔵能力等の次に掲げる区分に応じ、それぞれに定める書類
ア 容器による貯蔵能力が1,000キログラム以上3,000キログラム未満の設備 供給設備の技術上の基準(様式第3)
イ バルク貯槽による貯蔵能力が500キログラムを超え1,000キログラム未満の設備 バルク供給設備の技術上の基準(様式第4)
(2) 案内図及び貯蔵設備の付近状況図
(3) 貯蔵設備の配置図及び構造図
(4) 設備工事施工後の供給設備から消費設備までの配管図
(5) 気密試験検査記録の写し
(6) 貯蔵設備の全景写真
(7) バルク貯槽にあっては、特定設備検査合格証又は特定設備基準適合証の写し
(8) その他市長が必要と認める書類
2 市長は、当該届書が提出された場合は、当該届書の記載事項及び添付書類を稲沢市液化石油ガス設備工事届出等事務処理マニュアル(平成28年4月1日施行)により審査し、記載事項及び添付書類に不備があるとき又は供給設備の技術上の基準に適合しないと認めるときは、これを補正させるものとする。
3 市長は、前項の規定による補正をさせてもなお届出内容が確認できない場合、届出内容に疑義のある場合その他必要と認める場合は、現地審査をするものとする。
4 前項の現地審査は、工事届出者等の立会いを求め行うものとする。
(特定液化石油ガス設備工事事業の届出)
第7条 法第38条の10第1項の規定により特定液化石油ガス設備工事の事業を行う者(以下「特定液化石油ガス設備工事事業者」という。)は、特定液化石油ガス設備工事事業開始届書(様式第6)を、当該事業の開始の日から30日以内に、正本1通及び副本1通を市長に届け出なければならない。なお、当該届書には、次に掲げる書類を添付するものとする。
(1) 登記事項証明書(法人の場合に限る。なお、正本に添付するものは、受理の日から6か月以内に発行されたもので原本とし、副本に添付するものは、その写しでよいものとする。)
(2) 設備士免状所有者名簿
(3) 設備士免状の写し
(4) 気密試験用器具一覧表
3 特定液化石油ガス設備工事事業者が当該事業を廃止した場合は、特定液化石油ガス設備工事事業廃止届書(様式第8)を、遅滞なく、正本1通及び副本1通を市長に届け出なければならない。なお、当該届書には、愛知県知事又は稲沢市長の受付印等の記載のある特定液化ガス設備工事事業開始届書又は特定液化石油ガス設備工事事業変更届書があれば併せて添付するものとする。
(報告の徴収)
第8条 市長は、法第82条第1項の規定に基づき、法の施行に必要な限度において、設備士及び特定液化石油ガス設備工事事業者に対し、その業務に関し報告させることができる。
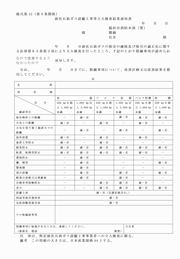
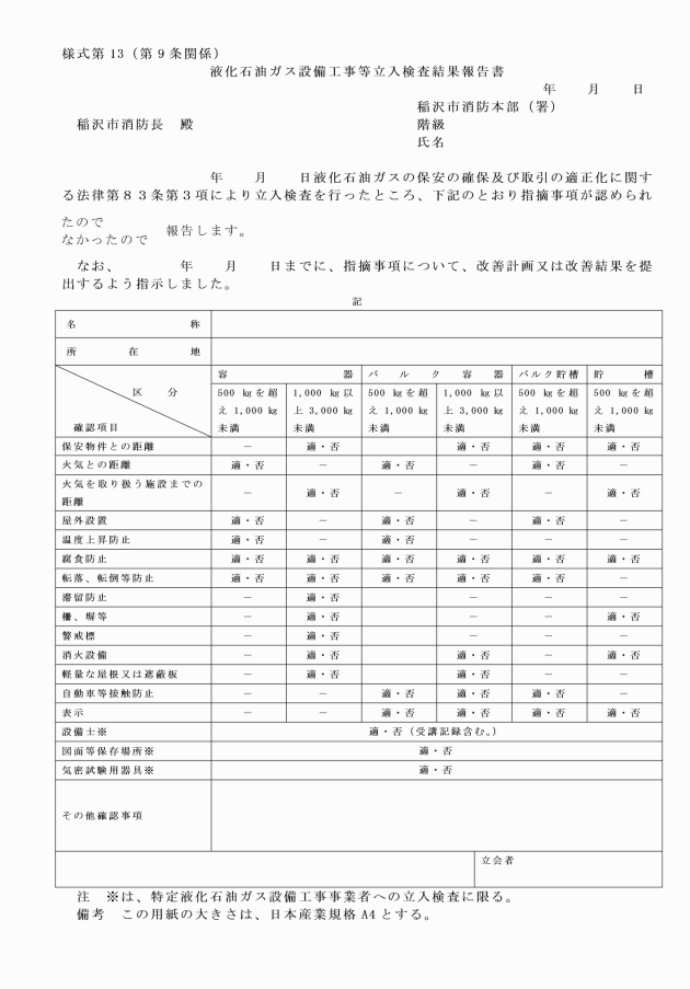
(立入検査)
第9条 市長は、法第83条第3項の規定に基づき、法の施行に必要な限度において、職員に立入検査を行わせることができる。
2 前項に規定する立入検査は、次により行うものとする。
(1) 関係者の立会いを求めて行うこと。
(2) 特定液化石油ガス設備工事の施工場所に立ち入る場合は、当該施工場所の管理者の承諾を得て行うこと。
(3) 事業の妨害とならないよう留意すること。
(4) 前3号により立入検査を行う職員は、稲沢市消防法等施行規則(平成17年稲沢市規則第26号)第2条に規定する立入証票を携帯し、関係者に提示しなければならない。
(5) 立入検査を行う職員は、試験のため必要な最小限度の分量に限り液化石油ガスを収去することができる。
(指摘事項に対する措置)
第10条 市長は、立入検査で発見した指摘事項について、関係者に改善結果(計画)報告(様式第14)を提出させるほか、必要に応じて再度立入検査を行うものとする。
(補則)
第12条 この要綱に定めるもののほか、必要な事項は、消防長が別に定める。
付則
この要綱は、平成28年4月1日から施行する。
付則
この要綱は、令和元年7月1日から施行する。
付則
1 この要綱は、令和3年4月1日から施行する。
2 この要綱の施行の際現に改正前の各要綱の規定に基づいて提出されている申請書等は、改正後の各要綱の規定に基づいて提出されたものとみなす。
3 この要綱の施行の際現に改正前の各要綱の規定に基づいて作成されている用紙は、改正後の各要綱の規定にかかわらず、当分の間、修正して使用することができる。
付則
1 この要綱は、令和3年7月1日から施行する。
2 この要綱の施行の際現に改正前の各要綱の規定に基づいて提出されている書類は、改正後の各要綱の規定に基づいて提出されたものとみなす。
3 この要綱の施行の際現に改正前の各要綱の規定に基づいて作成されている用紙は、改正後の各要綱の規定にかかわらず、当分の間、修正して使用することができる。
別表第1(第4条関係)
届出対象施設
施設又は建築物 | 該当する用途施設又は建築物 |
1 劇場、映画館、演芸場、公会堂その他これらに類する施設 | 公民館、集会場、体育館、結婚式場、文化会館、市民会館及び福祉センター |
2 キャバレー、ナイトクラブ、遊技場その他これらに類する施設 | バー、パチンコ店、ビリヤード店、ゲームセンター、ダンスホール、ボウリング場、スポーツセンター及びスイミングクラブ |
3 貸席及び料理飲食店 | 料亭、レストラン、ドライブイン、喫茶店、スナック、パブ、店内で飲食できる食物販売店、一般消費者に直接販売する給食センター及び仕出し店 |
4 百貨店及びマーケット | スーパーマーケット及びコンビニエンスストア |
5 旅館、ホテル、寄宿舎及び共同住宅(※) | 簡易宿泊所、モーテル、山小屋、保養所、民宿、合宿所下宿屋、国民宿舎、マンション、ペンション、貸別荘、学生寮、刑務所、研修所、給食、宿泊、寄宿舎等の日常生活上に必要な老人福祉施設、救護施設、更生施設、児童福祉施設、身体障害者更生施設及び知的障害者救護施設 |
6 病院、診療所及び助産所 | 医院、保養所、クリニック、精神病院、歯科院、医療目的の老人福祉施設、救護施設、更生施設、児童福祉施設、身体障害者更生施設、知的障害及び救護施設(日常生活の目的の場合は、5に該当) |
7 小学校、中学校、高等学校、高等専門学校、大学、盲学校、ろう学校、養護学校、幼稚園及び各種学校 | 専修学校、理容美容学校、料理学校、タイピスト学院及び和裁洋裁学校 |
8 図書館、博物館及び美術館 | 郷土館及び記念館 |
9 公衆浴場 | 特殊浴場、サウナ浴場、銭湯及び鉱泉浴場 |
10 駅及び船舶又は航空機の発着場(旅客の乗降又は待合いの用に供する建築物に限る。) | 各種交通機関待合所 |
11 神社、寺院、教会その他これらに類する施設 | 神宮、礼拝堂、説教所、社務所及び庫裏 |
12 床面積の合計が1,000m2以上である事務所(1~11に掲げるものに該当するものを除く。) | 官公庁舎及び事務所(会議室、休憩所等の合算)の一部分に小売店等を営むとき、その部分を除いた残りの面積が1,000m2に満たない場合は、該当しない。 |
注 (※)共同住宅とは、アパート、マンション等の集合住宅であって、面積及び構造に関係なく同一建物内に3世帯以上入居するものをいう。また、共同住宅で、70戸以上に液化石油ガスを供給するものは、ガス事業法(昭和29年法律第51号)で定める簡易ガス事業であり、届出の対象としない。
別表第2(第7条関係)
変更事由に応じた添付書類
変更の事由 | 添付書類 |
1 氏名又は名称の変更(※1) 2 住所の変更 3 法人格の変更(※2) 4 代表者の変更 | 登記事項証明書(写しの場合は、代表者が原本証明したもの) |
1 事業所の名称の変更 2 記録及び配管図面の保存場所及び分類方法の変更 | なし |
事業所の所在地の住居表示変更(※3) | 市長の発行する証明書 |
1 設備士免状所有者の氏名又は住所の変更 2 設備士免状所有者の増員又は減員 | 設備士免状所有者名簿及び設備士免状(受講記録を含む。)の写し |
気密試験用器具の種類又は個数の変更 | 自記圧力計等のカタログ |
注
1 (※1)相続、譲渡又は合併による変更は、新たに特定液化石油ガス設備工事事業開始届書が必要となる。
2 (※2)事業主体を個人から法人に変更する場合は、新たに特定液化石油ガス設備工事事業開始届書が必要となる。
3 (※3)事業所の移転に伴う住居表示変更は、新たに特定液化石油ガス設備工事事業開始届書が必要となる。
4 上記注1から3までに該当する場合、新たに特定液化石油ガス設備工事事業開始届を提出した後、特定液化石油ガス設備工事事業廃止届書を遅滞なく提出すること。














