○稲沢市勤労福祉会館管理規則
昭和53年3月30日
規則第3号
(趣旨)
第1条 この規則は、稲沢市勤労福祉会館の設置及び管理に関する条例(昭和53年稲沢市条例第10号。以下「条例」という。)第14条の規定に基づき、必要な事項を定める。
(受付時間)
第2条 稲沢市勤労福祉会館(以下「会館」という。)の受付時間は、午前9時から午後5時までとする。
(利用時間)
第3条 会館の利用時間は、利用の許可を受けた時間内とし、準備及び後片付けの時間を含むものとする。
2 会館の利用は、同一人において5日を超えて連続利用することができない。ただし、市長が特に必要と認めるときは、この限りでない。
2 前項の申請書は、利用しようとする日前6か月以内に提出しなければならない。ただし、労働組合又は勤労青少年が利用する場合は、利用しようとする日前7か月以内とする。
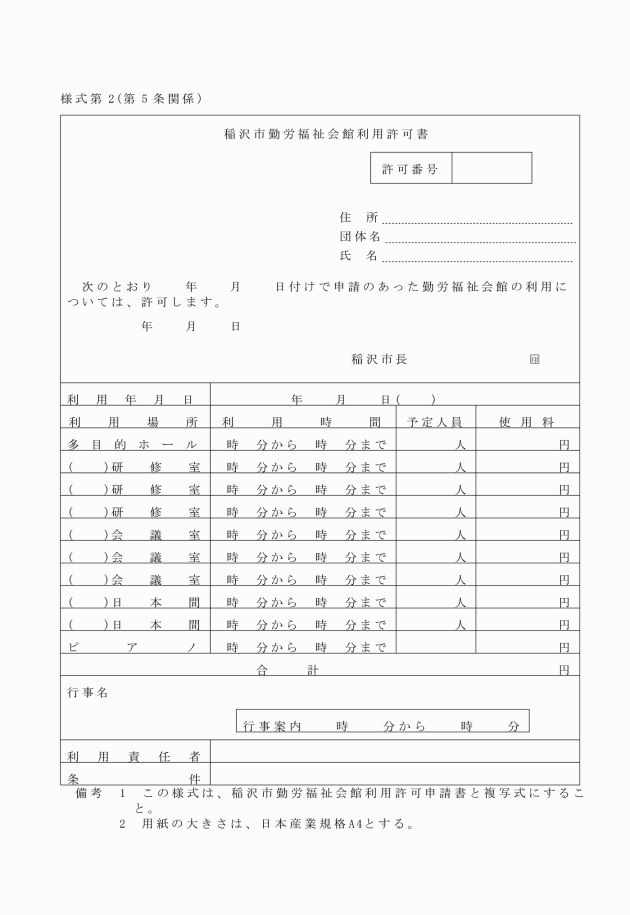
(利用許可)
第5条 市長は、会館の利用を許可するときは、稲沢市勤労福祉会館利用許可書(様式第2。以下「利用許可書」という。)を交付する。
2 前項の規定により利用の変更を許可された場合において、既納の使用料が変更後の使用料に対して不足が生じるときは、利用者は直ちに当該不足額を納付しなければならない。
(利用許可の変更・取消許可)
第7条 市長は、会館の利用の変更又は取消しを許可するときは、稲沢市勤労福祉会館利用変更・取消許可書(様式第4。以下「利用変更・取消許可書」という。)を交付する。
(職員の入室)
第8条 職員は、管理上必要な場合は、利用中の場所といえども立ち入ることができる。
(入館の禁止等)
第9条 市長は、会館の秩序を乱し、若しくは乱すおそれがある者又は会館の施設に損傷を加え、若しくは加えるおそれがある者に対し、入館を禁じ又は退館させることができる。
(1) 条例第11条第1号に該当する場合
ア 利用日の7日前までに申請のあつた場合 全額
イ 利用日の1日前までに申請のあつた場合 半額
(2) 条例第11条第2号に該当する場合 全額
(利用許可書等の提出)
第11条 利用者は、会館を利用する際利用許可書又は利用変更・取消許可書を職員に提出しなければならない。
(規律)
第12条 利用者及び入館者は、次に掲げる事項を守らなければならない。
(1) 収容定員を超えて入場させないこと。
(2) 秩序維持に努め、会館の施設、備品等を損傷しないこと。
(3) 許可を受けないで物品等の展示若しくは販売又は印刷物等の掲示若しくは配布をしないこと。
(4) 所定の場所以外で飲食し、喫煙し、又は火気を使用しないこと。
(5) その他管理上必要な指示に反する行為をしないこと。
(点検)
第13条 利用者は、条例第12条第3項の規定により施設、備品等を原状に復したときは、職員の点検を受けなければならない。
(損害等の届出)
第14条 利用者は、施設、備品等を亡失し、又は損傷したときは、直ちにその旨を市長に届け出てその指示を受けなければならない。
(補則)
第16条 この規則に定めるもののほか、必要な事項は、市長が定める。
付則
この規則は、昭和53年5月1日から施行する。
付則(昭和54年規則第9号)
この規則は、昭和54年4月1日から施行する。
付則(昭和54年規則第29号)
この規則は、昭和54年8月1日から施行する。
付則(昭和55年規則第1号)
この規則は、昭和55年4月1日から施行する。
付則(昭和55年規則第30号)
この規則は、昭和55年7月21日から施行する。
付則(昭和58年規則第44号)
この規則は、公布の日から施行する。
付則(昭和61年規則第60号)
この規則は、昭和62年1月1日から施行する。
付則(昭和63年規則第14号)
この規則は、公布の日から施行する。
付則(平成元年規則第1号)
この規則は、公布の日から施行する。
付則(平成元年規則第23号)
この規則は、平成元年4月1日から施行する。
付則(平成2年規則第27号)
この規則は、平成2年4月1日から施行する。
付則(平成5年規則第29号)
1 この規則は、平成5年7月1日から施行する。
2 この規則の施行の際現にこの規則による改正前の各規則に基づき作成されている用紙は、この規則の規定にかかわらず、当分の間、使用することができる。
3 前項の場合において、この規則により押印欄を廃止したものについては、押印を省略することができる。
付則(平成6年規則第34号)
1 この規則は、平成6年4月1日から施行する。
2 この規則の施行の際現に改正前の各規則に基づいて作成されている用紙は、この規則の規定にかかわらず、当分の間、使用することができる。
付則(平成9年規則第27号)
この規則は、平成9年7月1日から施行する。
付則(平成12年規則第34号)
この規則は、平成12年4月1日から施行する。
付則(平成17年規則第138号)
この規則は、平成18年4月1日から施行する。
付則(平成19年規則第98号)
1 この規則は、平成20年1月1日から施行する。
2 この規則の施行の際現に改正前の稲沢市勤労福祉会館管理規則の規定に基づいて作成されている用紙は、改正後の稲沢市勤労福祉会館管理規則の規定にかかわらず、当分の間、使用することができる。
付則(平成26年規則第25号)
1 この規則は、平成27年4月1日から施行する。
2 この規則の施行の際現に改正前の稲沢市勤労福祉会館管理規則の規定に基づいて作成されている用紙は、改正後の稲沢市勤労福祉会館管理規則の規定にかかわらず、当分の間、使用することができる。
付則(平成31年規則第22号)
この規則は、平成31年4月1日から施行する。
付則(令和元年規則第14号)
この規則は、令和元年7月1日から施行する。



