○稲沢市国民健康保険規則
平成元年4月1日
規則第28号
(趣旨)
第1条 この規則は、国民健康保険法(昭和33年法律第192号。以下「法」という。)、国民健康保険法施行令(昭和33年政令第362号)、国民健康保険法施行規則(昭和33年厚生省令第53号。以下「法施行規則」という。)及び稲沢市国民健康保険条例(昭和34年稲沢市条例第19号。以下「条例」という。)の施行に関し必要な事項を定めるものとする。
(文書の様式)
第2条 法、法施行規則及び条例に規定する各届出等に係る文書の様式は、別に定める場合を除き、次に定めるところによる。
様式番号 | 名称 | 関係条項 |
1 | 資格異動届出書 | 法施行規則第3条 法施行規則第11条 法施行規則第13条 |
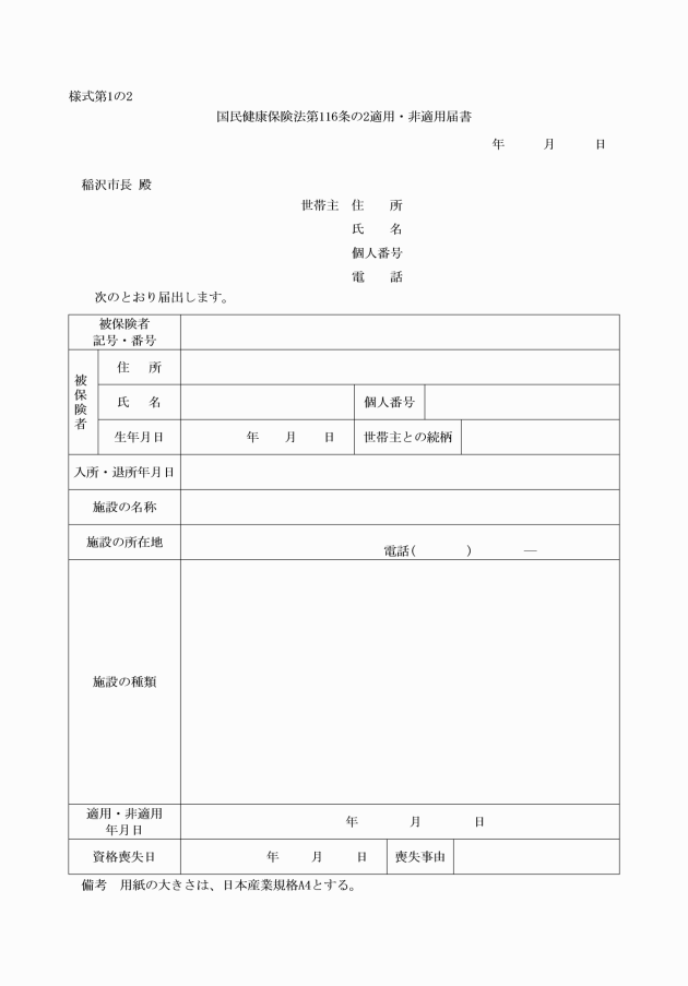
1の2 | 法第116条の2適用・非適用届書 | 法施行規則第5条の2 |
1の3 | 介護保険法施行法第11条適用・非適用届書 | 法施行規則第5条の4 |
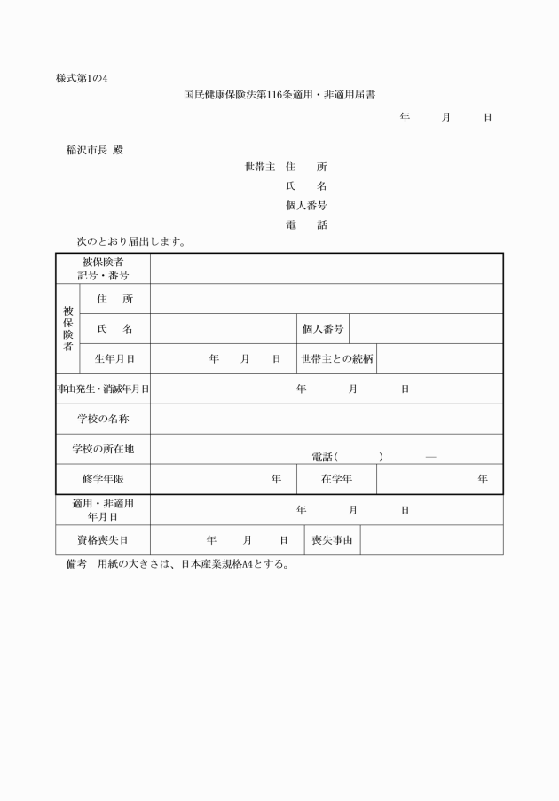
1の4 | 第116条適用・非適用届書 | 法施行規則第5条 |
2 | 退職被保険者該当届書 | 法施行規則付則第3条 法施行規則付則第5条 |
退職被保険者非該当届書 | 法施行規則付則第6条 | |
3 | 移送費支給申請書 | 法施行規則第27条の11 |
4 | 療養費支給申請書 | 法施行規則第27条 |
5 | 削除 | |
6 | 高額療養費支給申請書 | 法施行規則第27条の16 |
6の2 | 高額介護合算療養費等支給申請書兼自己負担額証明書交付申請書 | 法施行規則第27条の26 |
7 | 出産育児一時金支給申請書 | 条例第7条 規則第9条 |
葬祭費支給申請書 | 条例第8条 規則第10条 | |
8 | 支給決定通知書 | 規則第8条 |
規則第11条 | ||
規則第17条 | ||
9 | 不支給決定通知書 | 規則第8条 |
規則第11条 | ||
規則第17条 | ||
10 | 特定疾病認定申請書 | 法施行規則第27条の13 |
11 | 削除 | |
12 | 一部負担金免除・減額・徴収猶予申請書 | 規則第14条 |
13 | 一部負担金免除・減額・徴収猶予証明書 | 規則第15条 |
14 | 一部負担金免除・減額・徴収猶予不承認決定通知書 | 規則第15条第2項 |
15 | 限度額適用認定証・食事療養費等標準負担額減額認定証交付申請書 | 法施行規則第26条の3第2項 法施行規則第26条の6の4第2項 法施行規則第27条の14の2第2項 |
16 | 食事療養費等標準負担額減額差額支給申請書 | 法施行規則第26条の5第2項 法施行規則第26条の6の4第6項 |
17 | 基準収入額適用申請書 | 法施行規則第24条の3 |
(届出等に係る添付書類)
第3条 法施行規則第3条の規定による届書には、当該被保険者の資格取得の事実が確認できる場合を除き、法第6条各号のいずれにも該当しなくなつた旨の証明書を添付しなければならない。
第4条 法施行規則第5条第1項の規定による届書には、当該被保険者の修学する学校の在学証明書を添付しなければならない。
第5条 削除
第6条 法施行規則第13条の規定による届書には、当該事由を記した文書の添付又は当該事由により資格を取得したことを証する書類を提示しなければならない。
(療養費の支給申請)
第7条 法施行規則第27条、法施行規則第27条の11及び法施行規則第27条の16の規定による申請は、次の表に掲げる区分により必要な書類を添付して、市長に提出するものとする。ただし、柔道整復師施術及びはり、きゆう、マッサージ施術療養に関する申請並びに法施行規則第27条の17の規定に基づく申請は、別に定めるところによることができる。
書類 | 添付書類 |
医科・歯科・薬剤 | 診療報酬明細書又は診療内容証明書 療養に要した費用に関する領収書 |
移送 | 移送を必要とする医師の意見書 移送に要した費用の領収書 |
柔道整復師の施術 | 施術内容の記載された施術録 施術に要した費用の領収書 |
はり、きゆう、マッサージの施術 | 施術内容の記載された施術録 施術に要した費用の領収書 医師の同意書 |
治療用装具、生血 | 医師の証明書 要した費用の領収書 |
高額療養費 | 支払つた費用の領収書 委任状(福祉医療対象者) |
(療養費の支給決定の通知)
第8条 市長は、療養費の支給又は不支給の決定をしたときは、速やかに当該世帯主にその旨を通知するものとする。
(出産育児一時金の申請)
第9条 条例第7条の規定により出産育児一時金の支給を受けようとする者は、次に掲げる書類を添付しなければならない。
(1) 医師又は助産師の当該出産に係る証明書(市において当該被保険者の出産の事実が確認できる場合を除く。)
(2) 同一の出産について、条例第7条の規定による出産育児一時金(健康保険法(大正11年法律第70号)、船員保険法(昭和14年法律第73号)、国家公務員共済組合法(昭和33年法律第128号)、地方公務員等共済組合法(昭和37年法律第152号)及び私立学校教職員共済法(昭和28年法律第245号)の規定によるこれに相当する給付を含む。)の支給を別途申請していないことを示す書類(市が行政手続における特定の個人を識別するための番号の利用等に関する法律(平成25年法律第27号)第22条第1項の規定により当該書類と同一の内容を含む特定個人情報の提供を受けることができるときは、この限りでない。)
(3) その他市長が必要と認める書類
(出産育児一時金の加算)
第9条の2 条例第7条に規定する出産育児一時金は、健康保険法施行令(大正15年勅令第243号)第36条ただし書に規定する出産であると認められるときは、1万2,000円を加算する。
(葬祭費の申請)
第10条 条例第8条に規定する葬祭費の支給を受けようとする者は、市において当該被保険者の死亡の事実が確認できる場合を除き、死亡診断書又は埋・火葬許可書の写しを添付しなければならない。
(出産育児一時金・葬祭費の支給決定の通知)
第11条 市長は、出産育児一時金又は葬祭費の支給又は不支給の決定をしたときは、速やかに当該世帯主又は申請者にその旨を通知するものとする。
(第三者の行為による被害等の届出)
第12条 法施行規則第32条の6の規定による届出には、次に掲げる区分により書類を添付するものとする。
(1) 交通事故の場合
ア 交通事故証明書又はその写し
イ 交通事故発生状況報告書
(2) 交通事故以外の場合 負傷(傷病)原因報告書
(一部負担金の減免又は徴収猶予の要件)
第13条 法第44条第1項の規定により一部負担金の減免又は徴収猶予を受けられる特別の理由は、次の各号のいずれかに該当し、当該世帯の生活が著しく困難になつたと市長が認める場合とする。
(1) 震災、風水害、その他これに類する災害により死亡し、障害者となり、又は資産に重大な損害を受けたとき。
(2) 干ばつ、冷害、凍霜害等による農作物の不作、不漁により収入が減少したとき。
(3) 事業又は業務の休廃止、失業等により収入が著しく減少したとき。
(4) その他前3号に類する理由があつたとき。
(一部負担金の減免又は徴収猶予の期間)
第13条の2 一部負担金の減免の期間は、3か月以内とする。ただし、市長が特に必要があると認める場合は、この限りでない。
2 一部負担金の徴収猶予の期間は、当該世帯の状況に応じて6か月以内とする。
(一部負担金の減免又は徴収猶予の申請)
第14条 一部負担金の減免又は徴収猶予を受けようとする被保険者の属する世帯の世帯主は、申請書を市長に提出しなければならない。
2 前条第1項ただし書の規定により一部負担金の減免の期間を延長しようとする世帯主は、減免期間の最終月内に再度申請書を市長に提出しなければならない。
(一部負担金の減免又は徴収猶予の決定通知)
第15条 市長は、一部負担金の減免又は徴収猶予を決定したときは、速やかに当該証明書を当該世帯主に交付するものとする。
2 市長は、一部負担金の減免又は徴収猶予の申請を却下したときは、速やかに不承認通知書を当該世帯主に交付するものとする。
(徴収猶予した一部負担金の徴収)
第16条 市長は、一部負担金を徴収猶予した場合は、徴収を猶予した期限を納期限として当該被保険者の属する世帯の世帯主から一部負担金を徴収する。
(食事療養費等標準負担額減額差額の支給決定の通知)
第17条 市長は、法施行規則第26条の5第2項又は法施行規則第26条の6の4第6項の規定に基づく標準負担額減額差額の支給又は不支給の決定をしたときは、速やかに当該世帯主にその旨を通知するものとする。
付則
(施行期日等)
1 この規則は、平成元年4月1日から施行する。
2 この規則に定める様式中、これに相当する従前の用紙があるときは、当分の間これを使用することができる。
3 稲沢市国民健康保険条例施行規則(昭和44年稲沢市規則第4号)は、廃止する。
4 稲沢市国民健康保険一部負担金取扱規則(昭和45年稲沢市規則第28号)は、廃止する。
(祖父江町及び平和町の編入に伴う経過措置)
5 祖父江町及び平和町の編入の日前に祖父江町国民健康保険条例施行規則(昭和49年祖父江町規則第4号)又は平和町国民健康保険条例施行規則(平成5年平和町規則第8号)の規定によりなされた処分、手続その他の行為は、この規則の相当規定によりなされた処分、手続その他の行為とみなす。
7 市長は、傷病手当金の支給又は不支給の決定をしたときは、別に定める通知書により、速やかに当該世帯主又は申請者にその旨を通知するものとする。
8 稲沢市国民健康保険条例の一部を改正する条例(令和2年稲沢市条例第18号)付則第2項に規定する規則で定める日は、令和5年5月7日までに感染した条例附則第7項に規定する新型コロナウイルス感染症の療養のためにその労務に服することができなくなつた日から起算して3日を経過した日以後の就労を予定していた日のうち最初の日とする。ただし、入院の継続等により労務に服することができないと市長が認める場合には、傷病手当金の支給を始めた日から起算して1年6月を超えない範囲の期間で、支給を延長することができる。
付則(平成5年規則第6号)
この規則は、公布の日から施行する。
付則(平成6年規則第34号)
1 この規則は、平成6年4月1日から施行する。
2 この規則の施行の際現に改正前の各規則に基づいて作成されている用紙は、この規則の規定にかかわらず、当分の間、使用することができる。
付則(平成6年規則第43号)
1 この規則は、平成6年10月1日から施行する。
2 この規則の施行の際現に改正前の稲沢市国民健康保険規則の規定に基づいて作成されている用紙は、この規則の規定にかかわらず、当分の間、使用することができる。
付則(平成6年規則第49号)
この規則は、公布の日から施行し、改正後の稲沢市国民健康保険規則の規定は、平成6年10月1日から適用する。
付則(平成9年規則第5号)
この規則は、平成9年4月1日から施行する。
付則(平成10年規則第17号)
この規則は、平成10年4月1日から施行する。
付則(平成11年規則第30号)
この規則は、平成11年4月1日から施行する。
付則(平成13年規則第26号)
1 この規則は、公布の日から施行する。
2 この規則の施行の際現に改正前の稲沢市国民健康保険規則の規定に基づいて作成されている用紙は、改正後の稲沢市国民健康保険規則の規定にかかわらず、当分の間、使用することができる。
付則(平成14年規則第20号)
この規則は、公布の日から施行する。
付則(平成17年規則第74号)
この規則は、公布の日から施行する。
付則(平成17年規則第139号)
この規則は、公布の日から施行する。
付則(平成20年規則第58号)
この規則は、平成21年1月1日から施行する。
付則(平成21年規則第70号)
1 この規則は、公布の日から施行する。
2 この規則による改正後の稲沢市国民健康保険規則の規定は、平成21年10月1日以後の被保険者の出産から適用し、同日前の被保険者の出産については、なお従前の例による。
付則(平成23年規則第16号)
1 この規則は、平成23年4月1日から施行する。
2 この規則による改正後の稲沢市国民健康保険規則の規定は、この規則の施行日以後に一部負担金の減免又は徴収猶予の決定を受けた者に適用し、同日前に一部負担金の減免又は徴収猶予の決定を受けた者については、なお従前の例による。
付則(平成26年規則第53号)
1 この規則は、平成27年1月1日から施行する。
2 この規則による改正後の稲沢市国民健康保険規則の規定は、この規則の施行の日以後の被保険者の出産から適用し、同日前の被保険者の出産については、なお従前の例による。
付則(平成27年規則第41号)
この規則は、平成28年1月1日から施行する。ただし、第9条の改正規定は、平成29年7月1日から施行する。
付則(平成28年規則第8号)
この規則は、平成28年4月1日から施行する。
付則(令和元年規則第9号)
この規則は、令和元年7月1日から施行する。
付則(令和2年規則第34号)
この規則は、公布の日から施行する。
付則(令和2年規則第40号)
この規則は、公布の日から施行する。
付則(令和2年規則第48号)
この規則は、公布の日から施行する。
付則(令和2年規則第52号)
この規則は、公布の日から施行する。
付則(令和3年規則第13号)
1 この規則は、公布の日から施行する。
2 この規則の施行の際現に改正前の稲沢市国民健康保険規則の規定に基づいて作成されている用紙は、改正後の稲沢市国民健康保険規則の規定にかかわらず、当分の間、使用することができる。
付則(令和3年規則第21号)
この規則は、公布の日から施行する。
付則(令和3年規則第26号)
1 この規則は、令和3年4月1日から施行する。
2 この規則の施行の際現に改正前の各規則の規定に基づいて提出されている申請書等は、改正後の各規則の規定に基づいて提出されたものとみなす。
3 この規則の施行の際現に改正前の各規則の規定に基づいて作成されている用紙は、改正後の各規則の規定にかかわらず、当分の間、修正して使用することができる。
付則(令和3年規則第32号)
この規則は、公布の日から施行する。
付則(令和3年規則第41号)
この規則は、公布の日から施行する。
付則(令和3年規則第52号)
1 この規則は、令和4年1月1日から施行する。ただし、付則第8項の改正規定は、公布の日から施行する。
2 この規則による改正後の第9条の2の規定は、令和4年1月1日以後の被保険者の出産から適用し、同日前の被保険者の出産については、なお従前の例による。
付則(令和4年規則第11号)
この規則は、公布の日から施行する。
付則(令和4年規則第20号)
1 この規則は、公布の日から施行する。
2 この規則の施行の際現に改正前の稲沢市国民健康保険規則の規定に基づいて作成されている用紙は、改正後の稲沢市国民健康保険規則の規定にかかわらず、当分の間、使用することができる。
付則(令和4年規則第23号)
この規則は、公布の日から施行する。
付則(令和4年規則第30号)
この規則は、公布の日から施行する。
付則(令和4年規則第41号)
この規則は、公布の日から施行する。
付則(令和5年規則第22号)
1 この規則は、公布の日から施行する。
2 この規則の施行の際現に改正前の稲沢市国民健康保険規則の規定に基づいて作成されている用紙は、改正後の稲沢市国民健康保険規則の規定にかかわらず、当分の間、使用することができる。
付則(令和6年規則第41号)
1 この規則は、令和6年12月2日から施行する。
2 この規則の施行の際現に改正前の稲沢市国民健康保険規則(次項において「改正前の規則」という。)の規定に基づいて提出されている書類は、改正後の稲沢市国民健康保険規則(次項において「改正後の規則」という。)の規定に基づいて提出されたものとみなす。
3 この規則の施行の際現に改正前の規則の規定に基づいて作成されている用紙は、改正後の規則の規定にかかわらず、当分の間、使用することができる。







様式第5 削除






様式第11 削除





